021-51699285
首页
关于我们
公司简介
关于品牌
荣誉资质
产品中心
套装类
托盘类
吸油类
通用类
化学类
地毯类
其他
新闻中心
公司新闻
行业动态
联系我们
产品展示
LZZBJ4-35电流互感器(全封闭)
首页
/
产品中心
/
40.5kV电流40.5kV电流、电压互感器电压互感器
40.5kV电流40.5kV电流、电压互感器电压互感器
3~12kV电压互感器
12kV穿墙式电流互感器
12kV支柱式电流互感器
放电线圈及供机构操作电源用电压互感器
零序电流互感器
产品标题:LZZBJ4-35电流互感器(全封闭)
产品ID:
VIB20100127095851734
品 牌:
大互电气
所在地:中国 上海
价 格:面议 (大量采购价格面议)
库存状态:
货期待查
更新日期:2025-11-7 9:27:13
咨询电话:(+86)021-51699285
咨询Q Q:
2695337323
产品简述
LZZBJ4-35电流互感器
产品详情
LZZBJ4-35产品图片(半封闭)
LZZBJ4-35产品图片(全封闭)
LZZBJ4-35技术参数(单变比)
LZZBJ4-35技术参数(两变比)
LZZBJ4-35技术参数(三变比)
LZZBJ4-35安装尺寸(半封闭)
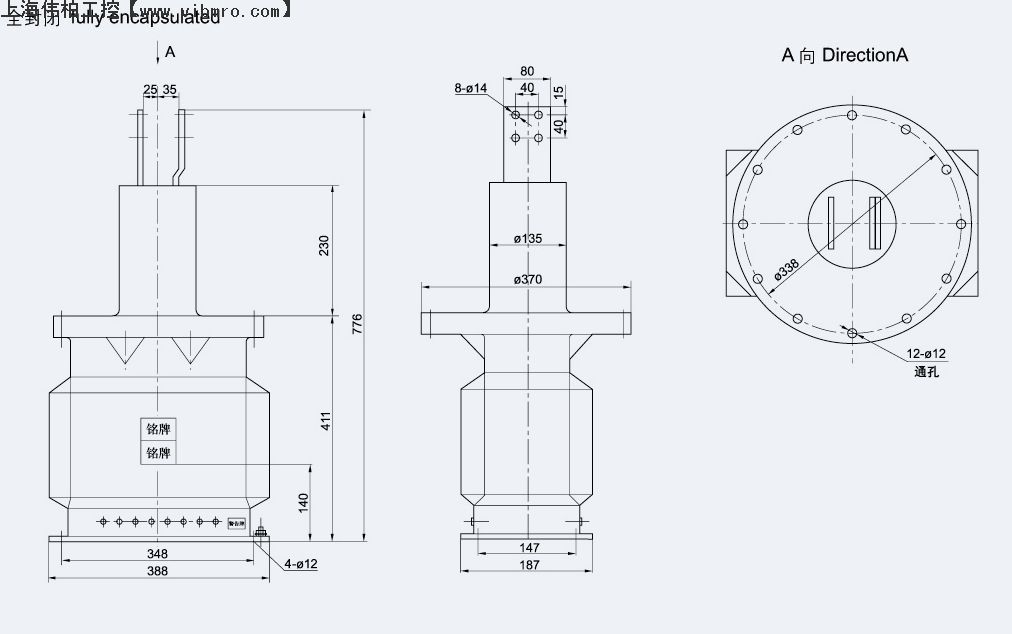
LZZBJ4-35安装尺寸(全封闭)
产品型号
双作用气缸 DNGV-100- PPV-S6 -SA
双作用气缸 DNGV-125- PPV-S6 -SA
标准插座 MSSD-EB-M12-MONO
标准插座 MSSD-EB-M12-DUO
NUTABD.,BEFEST. DGPXX- 18- -BZ
单作用短行程气 AEVC-4-2,5-P
单作用短行程气AEVC-4-5-P
单作用短行程气AEVC-4-2,5-A-P
单作用短行程气AEVC-4-5-A-P
双作用短行程气ADVC-4-2,5-A-P
双作用短行程气ADVC-4-5-A-P
单作用短行程气AEVC-6-5-P-A
单作用短行程气AEVC-6-10-P-A
单作用短行程气 AEVC-6-5-P
前一页
LZZBJ4-35电流互感器(半封闭)
后一页
LZZBJ4-35电流互感器(半封闭)
产品中心
更多产品
MORE+
JDZ-3Q 电流互感器
LFS-10Q,1600/5,0.5,电压互感器
JSZW-6A,电压互感器
JSZW-3-10A,电压互感器
LZZBJ9-10C2电流互感器
LJ-1零序电流互感器
JDZ9-6Q电流互感器
LZZBJ9-12/150b/2电流互感器
单作用螺纹气缸 AEVC-20-25-I-P
单作用短行程气AEVC-20-5-A-P-A
单作用短行程气AEVC-20-10-A-P-A
单作用短行程气AEVC-20-25-A-P-A
电话:
021-51699285
传真:
021-51698592
手机:
13611905823
地址:上海市宝山区恒高路127弄6号楼2202室
首 页
关于我们
公司简介
品牌介绍
企业荣誉
产品中心
套装类
托盘类
吸油类
通用类
化学类
地毯类
其他
新闻中心
公司新闻
行业动态
联系我们